ニッセイ ギアモータ・減速機 総合カタログ

GTRギアモータ・減速機 総合カタログ(デジタルカタログ版)です。


>> P.802

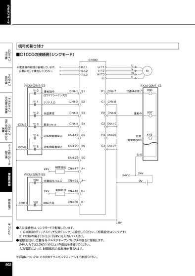
IPMギアモータG3タイプ平行軸H2タイプ直交軸F/FAタイプ中空軸・中実軸F3タイプ同心中空軸・同心中実軸モータ部・ブレーキ部仕様制御部仕様技術資料オプションFX3U-32MT/ESY10運転指令(2ワイヤシーケンス2)CN4-1S1P1CN4-7位置決め完了X06FX3U-32MT/ESY11クリア入力CN4-2S2C1CN4-8Y12外部異常CN4-3S3P2CN4-9運転中X07COM3Y13異常リセットCN4-4S4C2CN4-10Y14正転側駆動禁止CN4-19S5P3CN4-26X10正常(異常時OFF)COM4Y15逆転側駆動禁止CN4-20S6C3CN4-27MUVWEC1000R/L1S/L2T/L3U/T1V/T2W/T3信号の割り付け■C1000の接続例(シンクモード)※電源側の回路は省略しています。必要に応じて構成してください。CN4-23SC24V制限抵抗CN4-17A+FX3U-32MT/ESY00位置指令パルスCN4-35A-24V制限抵抗CN4-18B+COM1Y01回転方向CN4-36B-S/S24V0V24V●この接続例は、シンクモードで配線しています。1.C1000のディップスイッチS3を「シンク」に設定してください。(初期設定はシンクです)2.FX3Uの端子「S/S」に「24V」を入力してください。●制限抵抗は、位置指令パルスがオープンコレクタの場合に接続します。24V入力では2.2kΩ(1W以上)の抵抗を接続してください。入力電圧によって、制限抵抗の抵抗値が異なります。0V※詳細については、C1000テクニカルマニュアルをご参照ください。802


<< | < | > | >>