ニッセイ ギアモータ・減速機 総合カタログ

GTRギアモータ・減速機 総合カタログ(デジタルカタログ版)です。


>> P.1116

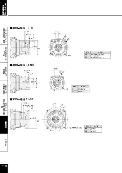
サーボモータ用高精度減速機モータマッチング・容量形状種別一覧表APG/AG3タイプ平行軸AH2タイプ直交軸AFCタイプ中空軸・中実軸AF3タイプ同心中空軸・同心中実軸技術資料オプション4-B種別F1F3B寸法M6深さ12カンツウ)M5深さ12カンツウ)(13.5)φ14H709φφ70H7□80853629■400W相当F1・F3■750W相当F1・F250.538.57.55.5(16)541φφAφ110H7□1204-B種別S1S3B寸法M5深さ12M4深さ124-M8深さ14(カンツウ)種別A寸法F1F2φ16H7φ19H711167H41φ70φ■400W相当S1・S336298φ50H7□60(13.5)


<< | < | > | >>